Descripción Huawei Smart Guard-63A-T0 Trifasico
Ficha tecnica Huawei Smart Guard-63A-T0
Manual Huawei Smart Guard-63A-T0 Español / Manual Huawei Smart Guard-63A-T0 Ingles
Guia de instalaciones Huawei Smart Guard-63A-T0
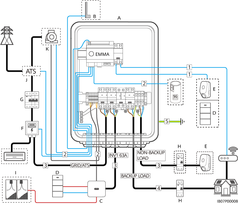
El Inversor Huawei Smart es una solución trifásica avanzada para respaldo energético en el hogar, especialmente diseñada para sistemas solares residenciales que requieren una conmutación rápida y una gestión inteligente de cargas. A continuación, te proporciono información detallada sobre este dispositivo:
Características principales
-
Respaldo trifásico completo: Soporta hasta 63 A de corriente, permitiendo alimentar toda la vivienda durante cortes de energía.
-
Conmutación ultrarrápida: Cambia al modo de respaldo en ≤20 ms, asegurando una transición sin interrupciones perceptibles para los electrodomésticos.
-
EMMA integrado: El asistente de gestión energética EMMA permite una asignación inteligente de cargas, priorizando dispositivos esenciales y optimizando el uso de la energía almacenada.
-
Modo bypass manual: En caso de fallo del contactor, se puede activar manualmente para mantener el suministro eléctrico.
-
Instalación sencilla: Diseño compacto y altamente integrado que facilita su montaje en la pared con modificaciones mínimas en el circuito.
Especificaciones técnicas
-
Tensión nominal: 380/400/415 V o 220/230/240 V (L1/L2/L3/N+PE)
-
Corriente máxima:
-
Desde/hacia la red: 63 A
-
Desde/hacia el inversor: 60 A
-
Hacia cargas de respaldo: 63 A
-
Hacia cargas no respaldadas: 63 A
-
-
Tiempo de conmutación: ≤20 ms (con inversores MAP0); ≤100 ms (con inversores M1/MB0)
-
Dimensiones: 600 × 170 × 490 mm
-
Peso: 17 kg
-
Protección: IP55
-
Temperatura de operación: -25°C a 50°C
-
Altitud máxima de operación: 4000 m (con reducción de capacidad por encima de 2000 m)
-
Interfaces de comunicación:
-
LAN/WAN: 10/100 Mbps
-
WLAN: Modo AP, 802.11b/g/n (2.4 GHz)
-
RS485: 2 puertosEntradas/salidas digitales: 2 entradas y 2 salidas
-
Compatibilidad
-
Inversores Huawei:
-
Hasta 3 inversores en paralelo (MAP0)
-
1 inversor (M1/MB0)
-
-
Baterías: LUNA2000 (hasta 30 kWh)
-
Cargadores inteligentes: SCharger-7KS/22KT-S0
-
Bombas de calor: Compatibles con SG Ready
-











